IRU1117-18CPTR

IRU1117-18(PbF)
1
www.irf.com
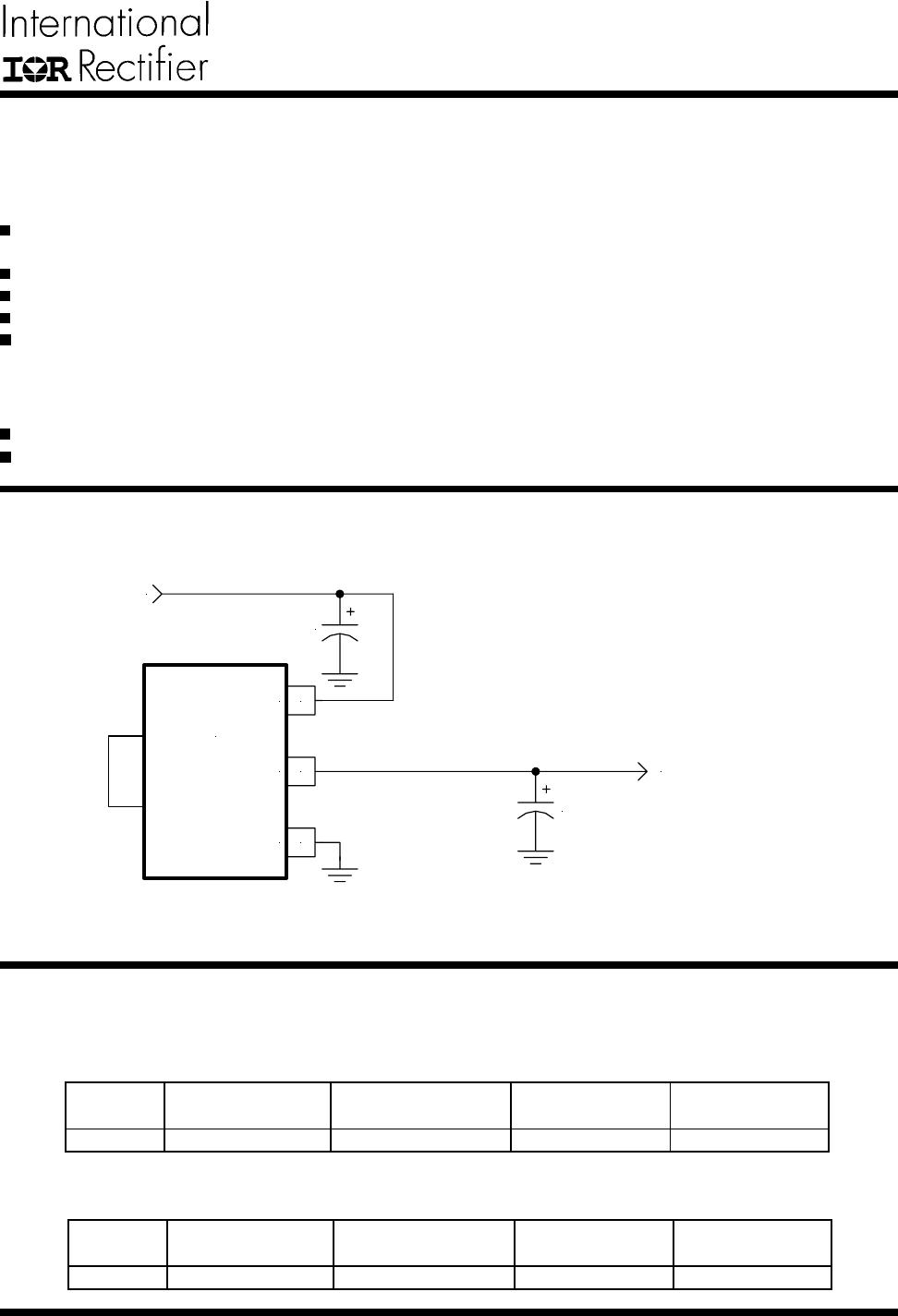
TYPICAL APPLICATION
DESCRIPTION
The IRU1117-18 is a low dropout three-terminal fixed out-
put regulator with minimum of 800mA output current ca-
pability. This product is specifically designed to provide
well regulated supply for low voltage IC applications as
well as generating clock supply for PC applications. The
IRU1117-18 is guaranteed to have <1.2V dropout at full
load current making it ideal to provide well regulated with
3.8V input supply. The IRU1117-18 is specifically de-
signed to be stable with low cost aluminum capacitors
while maintaining stability with low ESR tantalum caps.
800mA LOW DROPOUT POSITIVE
FIXED 1.8V REGULATOR
Figure 1 - Typical set-up of the IRU1117-18 in a 3.3V to 1.8V regulator application.
Data Sheet No. PD94137 revA
FEATURES
Guaranteed < 1.2V Dropout at 800mA Load
Current
Fast Transient Response
1% Voltage Reference Initial Accuracy
Built-In Thermal Shutdown
Available in SOT-223, D-Pak, Ultra Thin-Pak
TM
and 8-Pin SOIC Surface-Mount Packages
APPLICATIONS
Low Voltage IC Supply Applications
PC Clock Supply Voltage
3.3V
1.8V / 800mA
C1
10uF
C2
10uF
IRU1117-18
3
1
2
V
IN
V
OUT
Gnd
PACKAGE ORDER INFORMATION
TJ (°C) 2-PIN PLASTIC 2-PIN PLASTIC 8-PIN PLASTIC 3-PIN PLASTIC
TO-252 (D-Pak) Ultra Thin-Pak
TM
(P) SOIC (S) SOT-223 (Y)
0 To 125 IRU1117-18CD IRU1117-18CP IRU1117-18CS IRU1117-18CY
TJ (°C) 2-PIN PLASTIC 2-PIN PLASTIC 8-PIN PLASTIC 3-PIN PLASTIC
TO-252 (D-Pak) Ultra Thin-Pak
TM
(P) SOIC (S) SOT-223 (Y)
0 To 125 Not available Not available IRU1117-18CSPbF Not available
Leadfree Part
Basic Part (Non-Lead Free)
2
IRU1117-18(PbF)
www.irf.com
ABSOLUTE MAXIMUM RATINGS
Input Voltage (VIN) .................................................... 7V
Power Dissipation ..................................................... Internally Limited
Storage Temperature Range ...................................... -65°C To 150°C
Operating Junction Temperature Range ..................... 0°C To 125°C
PACKAGE INFORMATION
2-PIN PLASTIC TO-252 (D-Pak) 2-PIN ULTRA THIN-PAK
TM
(P) 8-PIN PLASTIC SOIC (S) 3-PIN PLASTIC SOT-223 (Y)
Unless otherwise specified, these specifications apply over CIN=1µF, VIN=5V, COUT=10µF, and TJ=0 to 125C.
Typical values refer to TJ=25C.
ELECTRICAL SPECIFICATIONS
Note 1: Low duty cycle pulse testing with Kelvin connections is required in order to maintain accurate data.
Note 2: Dropout voltage is defined as the minimum differential voltage between VIN and VOUT required to maintain
regulation at VOUT. It is measured when the output voltage drops 1% below its nominal value.
Output Voltage
Line Regulation
Load Regulation (Note 1)
Dropout Voltage (Note 2)
Current Limit
Thermal Regulation
Ripple Rejection
Temperature Stability
Long Term Stability
RMS Output Noise
PARAMETER SYM TEST CONDITION MIN TYP MAX UNITS
Io=10mA, TJ=25C
Io=10mA
Io=10mA, 4.75V<VIN<7V
10mA<Io<800mA
Io=1A
Io=800mA
Vo=100mV
30ms Pulse, Io=800mA
f=120Hz, Co=25µF Tantalum,
Io=0.5A
Io=10mA
TJ=125C, 1000Hrs
TJ=25C, 10Hz<f<10KHz
1.782
1.764
1.1
1.800
1.800
1.2
1.1
0.01
70
0.5
0.3
0.003
1.818
1.896
7
17
1.3
1.2
V
mV
mV
V
A
%/W
dB
%
%
%VO
VO
θJA=70°C/W for 0.5" Sq pad θJA=70°C/W for 0.5" Sq pad θJA=55°C/W for 1" Sq pad θJA=90°C/W for 0.4" Sq pad
Gnd
Tab i s
V
OUT
V
IN
1
3
Gnd
V
IN
1
3
Tab i s
V
OUT
Gnd
NC
NC
V
IN
V
OUT
4
3
2
1
5
6
7
8
V
OUT
V
OUT
V
OUT
Gnd
V
OUT
V
IN
Ta b i s
V
OUT
3
1
2
IRU1117-18(PbF)
3
www.irf.com
PIN DESCRIPTIONS
Ground pin. This pin must be connected to ground plane using a low inductance short
connection.
The output of the regulator. This pin is also connected to the tab of the package. An output
capacitor must be connected to this pin to insure stability of the regulator.
Input pin of the regulator. Typically a large storage capacitor is connected from this pin to
ground to insure that the input voltage does not sag below the minimum dropout voltage
during the load transient response. This pin must always be 1.3V higher than V
OUT in order
for the device to regulate properly.
BLOCK DIAGRAM
Figure 2 - Simplified block diagram of the IRU1117-18.
PIN# PIN SYMBOL PIN DESCRIPTION
1
2
3
Gnd
VOUT
VIN
V
IN
3
1 Gnd
2 V
OUT
THERMAL
SHUTDOWN
CURRENT
LIMIT
1.25V
+
+

IRU1117-18CPTR

Mfr. #:
Manufacturer:
Infineon Technologies
Description:
IC REG LIN 1.8V 800MA 2-UTHINPAK
Lifecycle:
New from this manufacturer.
Delivery:
DHL FedEx Ups TNT EMS
Payment:
T/T Paypal Visa MoneyGram Western Union