Expand menu
0
Cart
Home
Products
Sensors
Semiconductors
Passive Components
Connectors
Power
Electromechanical
Optoelectronics
Circuit Protection
Integrated Circuits - ICs
Main Products
Manufacturers
Blog
Services
About OMO
About Us
Contact Us
Check Stock
VNP35N07
P1-P3
P4-P6
P7-P9
P10-P11
Turn-
on Current
Slope
Turn-
off Drain-Sour
ce Voltage
Slope
Swit
ching Time Res
i
s
tive Load
Turn-
on Current S
lope
Turn-
off
Drain-
Sourc
e
V
oltage Slope
Switc
hing Time Resis
tive Load
VNP35N07
7/11
Obsolete Product(s) - Obsolete Product(s)
Swit
ching Time Res
i
s
tive Load
St
ep Response Current Limit
Cur
rent Limit vs Junction Temperat
ure
Sourc
e
Drain Diode Forwar
d
Charac
teristic
s
VNP35N07
8/11
Obsolete Product(s) - Obsolete Product(s)
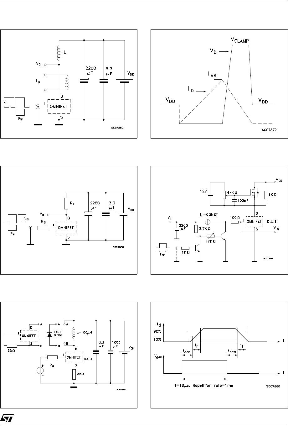
Fig
. 2:
Unclamped Inductiv
e Waveform
s
Fig
. 3:
Switc
hing Times
Test Cir
cuits For
R
esistive Load
Fig
. 4:
Input Charge T
est Cir
cuit
Fig
. 1:
Unclamped Induct
ive Load Test Circuits
Fig
. 5:
T
est
Cir
cuit F
or
Inductive
Load S
witch
ing
And Di
ode Recovery Times
Fig
. 6:
Waveform
s
VNP35N07
9/11
Obsolete Product(s) - Obsolete Product(s)
P1-P3
P4-P6
P7-P9
P10-P11
VNP35N07
Mfr. #:
Buy VNP35N07
Manufacturer:
STMicroelectronics
Description:
MOSFET N-Ch 70V 35A OmniFET
Lifecycle:
New from this manufacturer.
Delivery:
DHL
FedEx
Ups
TNT
EMS
Payment:
T/T
Paypal
Visa
MoneyGram
Western
Union
Products related to this Datasheet
VNP35N07-E
VNP35N07