TS192F23CET

Document No. 008-0375-0 Page 1- 3 Rev. A
www.ctscorp.com
ATSSMTS
Tight Stability Quartz Crystal
FEATURES
Standard HC-49/US-SM (surface mount) Package
Fundamental and 3
rd
Overtone Crystals
Stable Frequency Over Temperature and Drive Level
Frequency Range 3.2 – 64 MHz
Frequency Tolerance, Options from ±10 ppm to ±30 ppm
Frequency Stability, Options from ± 10 ppm to ±50 ppm
Operating Temperature, –20°C to +70°C & -40°C to +85°C Standard
Tape & Reel Packaging Standard
RoHS/Green Compliant (6/6)
APPLICATIONS
The ATSSMTS [Tight Stability] crystal series offers excellent long-term stability and reliability in a proven resistance-
weld metal package. The excellent shock performance makes it suitable for microprocessor, telecommunication,
industrial, consumer electronics and networking applications.
ORDERING INFORMATION
TS
A = 10 pF
B = 13 pF
C = 16 pF
D = 18 pF
E = 20 pF
F = 24 pF
G = 30 pF
H = 32 pF
J = 9 pF
K = 8 pF
L = 12 pF
S = Series
PACKAGING OPTIONS
B - Bulk
T - Tape and Reel
LOAD CAPACITANCE
Product Frequency Code
[3 digits]
Refer to document 016-1454-0,
Frequency Code Tables.
FREQUENCY
MODE OF OSCILLATION
F = Fundamental
T = 3rd Overtone
FREQUENCY TOLERANCE @ 25°C
1 = ± 10 ppm
1
X = ± 15 ppm
2 = ± 20 ppm
Y
= ± 25 ppm
3 = ± 30 ppm
TEMPERATURE RANGE OPTIONS
C - -20°C to +7C
I - -40°C to +85°C
1
STABILITY TOLERANCE
Over Operating Temperature Range
(Referenced to 25°C Reading)
Not all performance combinations and frequencies may be available.
Contact your local CTS Representative or CTS Inside Sales Representative for availability.
1 = ± 10 ppm
1
X = ± 15 ppm
2 = ± 20 ppm
Y
= ± 25 ppm
3 = ± 30 ppm
5 = ± 50 ppm
1] Check factory availability for "11I" Tolerance/Stability/Temperature combination.
Document No. 008-0375-0 Page 2 - 3 Rev. A
ATSSM Tight Stability
Quartz Crystal Series
ELECTRICAL CHARACTERISTICS
PARAMETER VALUE
Frequency Range 3.2 MHz to 64.0 MHz
Operating Mode Fundamental or 3rd Overtone
Crystal Cut AT-Cut
Frequency Tolerance @ +25°C * ±10, ±15, ±20, ±25, ±30 ppm
Frequency Stability Tolerance *
(Over Operating Temperature Range, Referenced to +25°C Reading)
Operating Temperature Range * -20°C to +70°C and -4C to +85°C
Equivalent Series Resistance See ESR Table
Load Capacitance See Ordering Information
Shunt Capacitance (C
0
)
7.0 pF Maximum
Drive Level 100 µW Typical, 1,000 µW Maximum
Aging @ +25°C ±3 ppm/yr Typical, ±5 ppm/yr Maximum
Storage Temperature Range -40°C to +85°C
ELECTRICAL PARAMETERS
±10, ±15, ±20, ±25, ±30, ± 50 ppm
* See Orderin
g
Information
EQUIVALENT SERIES RESISTANCE TABLE
FREQUENCY RANGE OSCILLATION MODE ESR MAXIMUM
3.20 MHz - < 4.00 MHz Fundamental 150 Ohms
4.00 MHz - < 5.00 MHz Fundamental 120 Ohms
5.00 MHz - < 8.00 MHz Fundamental 80 Ohms
8.00 MHz - < 12.00 MHz Fundamental 60 Ohms
12.00 MHz - < 20.00 MHz Fundamental 40 Ohms
20.00 MHz - < 30.00 MHz Fundamental 30 Ohms
27.00 MHz - 64.00 MHz 3rd Overtone 80 Ohms
MECHANICAL SPECIFICATIONS
SUGGESTED SOLDER PAD GEOMETRY
PACKAGE DRAWING
MARKING INFORMATION
1. TSxxxmsstc – Truncated CTS Part Number.
[Packaging code is not required in the marking.]
a) TS – ATSSMTS platform.
b) xxx – 3-digit Frequency Code.
[Reference document 016-1454-01]
2. m – Operating Mode; F = fundamental, T = 3
rd
Overtone.
c) sstc – Tolerance, Stability, Temperature and Load Capacitance
codes. Reference Ordering Information.
2. ** - Manufacturing Site Code.
3. YYWW – Date Code, YY – year, WW – week.
4. Complete CTS part number, frequency value and date code
information must appear on bag and box labels.
NOTES
1. Lead finish (e1), SnAgCu.
2. Reflow conditions per JEDEC J-STD-020; 260°C maximum, 10 sec.
3. MSL = 1.
TSxxxmsstc
CTS**YYWW
SCHEMATIC
Document No. 008-0375-0 Page 3 - 3 Rev. A
ATSSM Tight Stability
Quartz Crystal Series
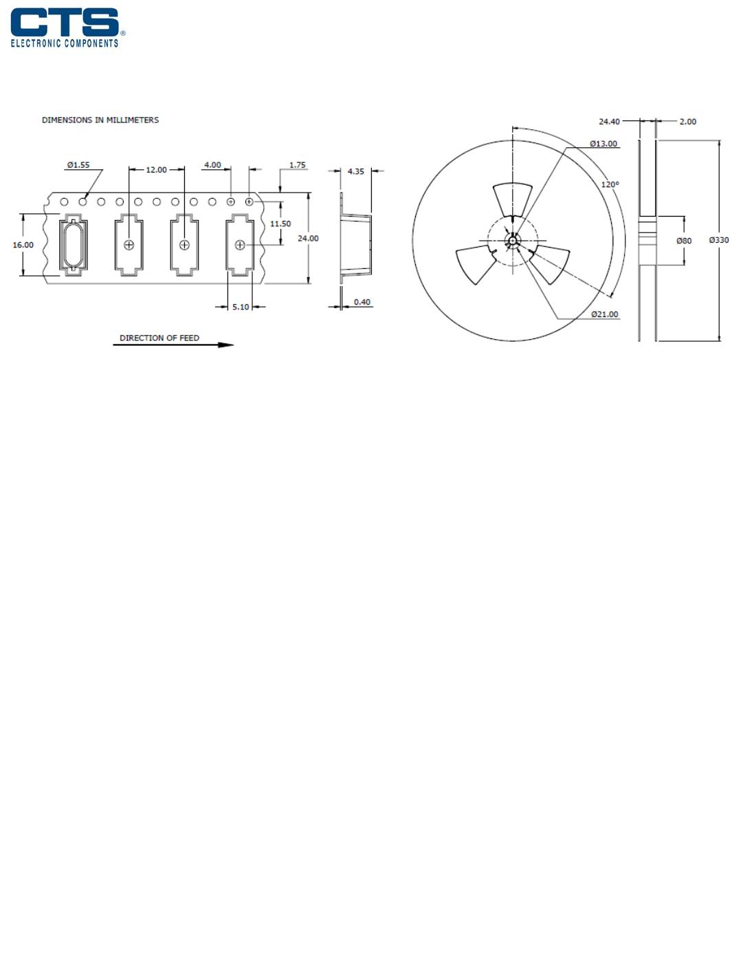
PACKAGING INFORMATION
ATS-SM Tape and Reel [For Reference]

TS192F23CET

Mfr. #:
Manufacturer:
CTS Electronic Components
Description:
Crystals HC-49U/S-SM Crystal 19.200000 MHz Tol 30ppm, Stab 30ppm, -20 C/70 C, 20pF, Fund
Lifecycle:
New from this manufacturer.
Delivery:
DHL FedEx Ups TNT EMS
Payment:
T/T Paypal Visa MoneyGram Western Union