
UC3842A, UC3843A, UC2842A, UC2843A
http://onsemi.com
13
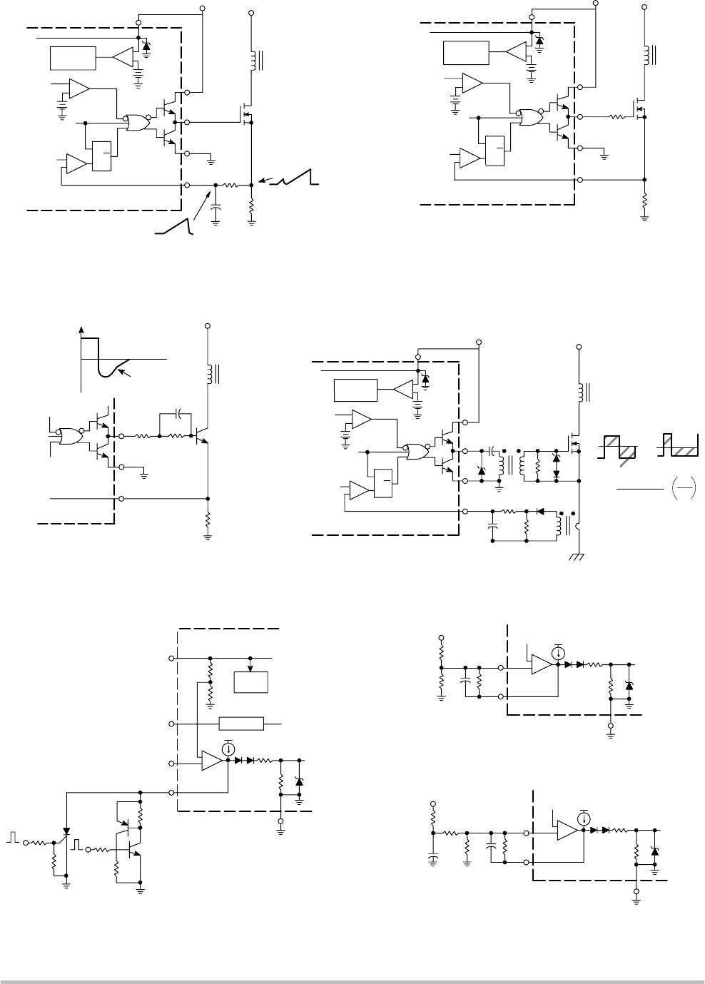
Figure 27. Current Waveform Spike Suppression
Figure 28. MOSFET Parasitic Oscillations
Figure 29. Bipolar Transistor Drive Figure 30. Isolated MOSFET Drive
Figure 31. Latched Shutdown Figure 32. Error Amplifier Compensation
The totem−pole output can furnish negative base current for enhanced
transistor turn−off, with the addition of capacitor C
1
.
Error Amp compensation circuit for stabilizing any current−mode topology except
for boost and flyback converters operating with continuous inductor current.
Error Amp compensation circuit for stabilizing current−mode boost and flyback
topologies operating with continuous inductor current.
The MCR101 SCR must be selected for a holding of less than 0.5 mA at T
A(min)
.
The simple two transistor circuit can be used in place of the SCR as shown. All
resistors are 10 k.
Series gate resistor R
g
will damp any high frequency parasitic oscillations
caused by the MOSFET input capacitance and any series wiring inductance
in the gate−source circuit.
The addition of the RC filter will eliminate instability caused by the leading
edge spike on the current waveform.
Q1
R
S
3(5)
5(8)
−
R
S
Q
Comp/Latch
5.0V
ref
V
in
V
CC
7(11)
6(10)
−
+
+
−
+
−
+
7(12)
+
−
R
C
Q1
R
S
3(5)
5(8)
−
R
S
Q
Comp/Latch
5.0V
ref
V
in
V
CC
7(11)
6(10)
−
+
+
−
+
−
+
7(12)
+
−
R
g
Q1
R
S
3(5)
5(8)
V
in
6(1)
C
1
I
B
+
0
−
Base
Charge
Removal
Q1
3(5)
5(8)
−
R
S
Q
Comp/Latch
5.0V
ref
V
in
V
CC
7(11)
6(1)
−
+
+
−
+
−
+
7(12)
+
−
N
p
R
C
R
S
N
S
Isolation
Boundary
V
GS
Waveforms
+
0
−
+
0
−
I
pk
=
V
(pin
1)
− 1.4
3 R
S
N
P
N
S
50% DC 25% DC
5(9)
R
R
Bias
Osc
8(14)
4(7)
2(3)
1(1)
2R
R
EA
+
−
+
1.0mA
2N
3903
2N
3905
MCR
101
5(9)
2(3)
1(1)
2R
R
EA
+
−
+
1.0mA
C
I
R
f
R
i
R
d
From V
O
2.5V
5(9)
2(3)
1(1)
2R
R
EA
+
−
+
1.0mA
C
p
C
I
R
f
From V
O
R
p
R
d
R
i
2.5V